Kinze 3600 parts catalog

Kinze 3600 Parts Manual. Kinze 3600 parts catalog PDF Operator's manual, Model 3600 twin-line planter • Read online or download PDF • Kinze 3600 Lift and Rotate Planter Rev Easily find and download the Operator's and/or Parts Manual for your Kinze planter, grain cart, and tillage equipment

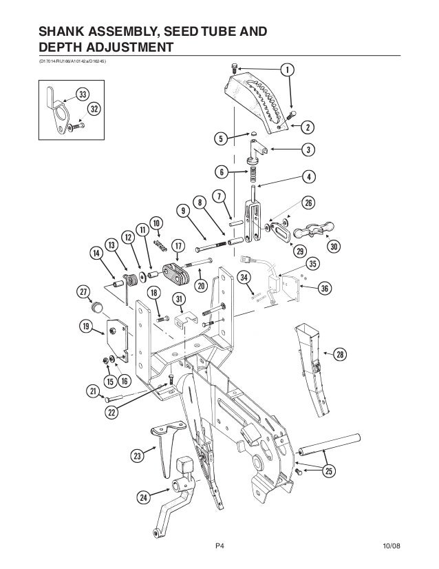
Kinze 3600 parts catalog PDF
Kinze 3600 parts catalog PDF from www.slideshare.net

Rigid frame planter mechanical seed metering (180 pages) Summary of Contents for Kinze 3600. Parts Manual: M0303-02: 07/20: Download: 3600 Pivot Fold Planter : Operator's Manual: M0259-01: Rev

Kinze 3600 parts catalog PDF

3600: Kinze 3600 (EdgeVac Metering) Twin-Line Planter Serial 619549-621833: M0200. Use the table below to view Kinze Parts and Operator Manuals for Kinze planters and grain carts United States & Canada; Europe; Russia; Ukraine; Other Countries; Blog; Careers; Store;

Kinze 3600 parts catalog. 3600 70 CM Pivot Fold Planter (English) - Operator's Manual Use the table below to view Kinze Parts and Operator Manuals for Kinze planters and grain carts

Kinze 3600 parts catalog. Kinze 3600 Twin-Line Planter (12R30in & 16R30in T Hitch, Mechanical,Conventional) (12R Wide 36,38in Y Hitch, Mech,Conv) (12R30in. Operator's manual, Model 3600 twin-line planter • Read online or download PDF • Kinze 3600 Lift and Rotate Planter Rev