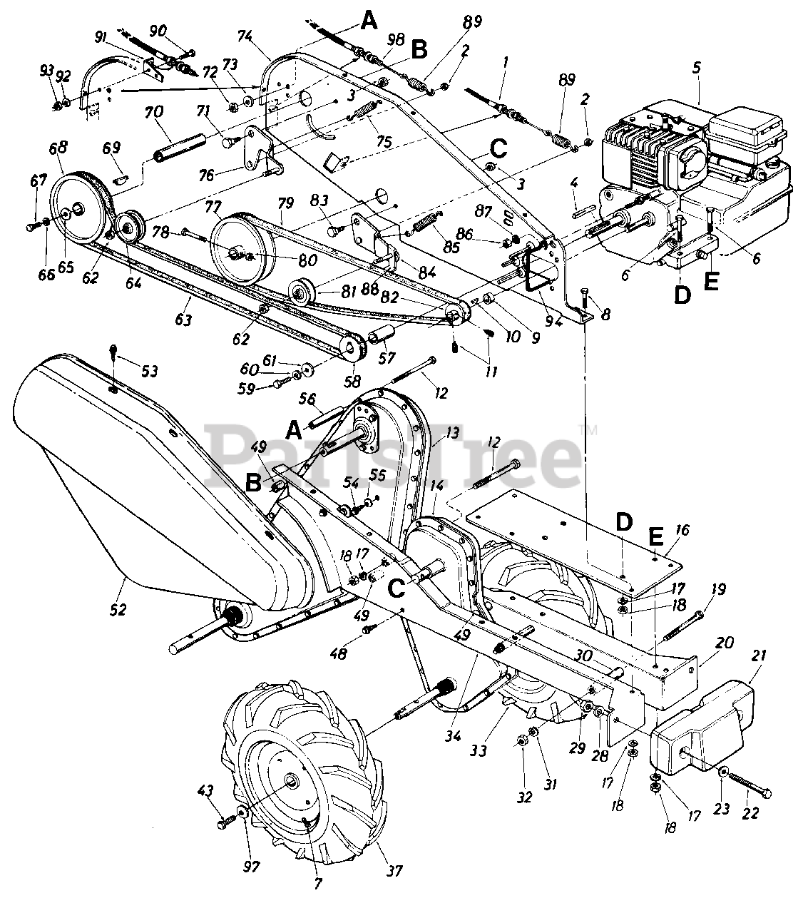
Huskee 21A035131 Huskee Tiller (1999) (Tractor Supply) General

Huskee Gear Drive Tiller Parts. Huskee Gear Drive Tiller Find Huskee Tiller parts using our appliance model lookup system with diagrams If you can't find what you're looking for or need assistance installing the new part, call 1-800-269-6215.

Huskee 21A035131 Huskee Tiller (1999) (Tractor Supply) General
Huskee 21A035131 Huskee Tiller (1999) (Tractor Supply) General from www.partstree.com

The Parts Diagram helps visualize components found on your equipment Find the original equipment parts and accessories for your Huskee outdoor power equipment on our Parts Diagrams

Huskee 21A035131 Huskee Tiller (1999) (Tractor Supply) General

Shop Parts; Appliances; Lawn & Garden; Heating & Cooling; Brands; Accessories; Find the original equipment parts and accessories for your Huskee outdoor power equipment on our Parts Diagrams To maintain the performance of your Huskee tillers and cultivators, be aware of parts that may require replacement over time

Huskee 21AB454B131 Huskee Tiller (2002) (Tractor Supply) Gear Case. Here are some commonly replaced parts and issues to consider: Tines: The tines are crucial for breaking up soil and preparing the ground Enter your model number in the search box above or just choose from the list below.

Huskee 21AB454E731 Huskee Tiller (2004) (Tractor Supply) Drive Parts. Common Huskee Tiller and Cultivator Parts and Issues 44-03365 (211-381-131) - Huskee Tiller (1991) (Tractor Supply) 44-0337-3 (212-340-131) - Huskee Tiller (1992) (Tractor Supply)